切换至 "中华医学电子期刊资源库"

中华医学超声杂志(电子版) ›› 2025, Vol. 22 ›› Issue (11) : 1029 -1035. doi: 10.3877/cma.j.issn.1672-6448.2025.11.006

专题笔谈

高频超声在皮肤无创影像中心建设中的整合应用
郑秋婷(), 魏剑萍, 况继美   
  1. 518020 深圳市慢性病防治中心(深圳市皮肤病防治研究所)皮肤无创影像中心
  • 收稿日期:2025-08-26 出版日期:2025-11-01
  • 通信作者: 郑秋婷
  • 基金资助:
    深圳市皮肤病防治研究所重点培育学科经费资助(SZDKCD002)

Leveraging high-frequency ultrasound for clinical practice: a core component in building a non-invasive skin imaging center

Qiuting Zheng(), Jianping Wei, Jimei Kuang   

  • Received:2025-08-26 Published:2025-11-01
  • Corresponding author: Qiuting Zheng
引用本文:

郑秋婷, 魏剑萍, 况继美. 高频超声在皮肤无创影像中心建设中的整合应用[J/OL]. 中华医学超声杂志(电子版), 2025, 22(11): 1029-1035.

Qiuting Zheng, Jianping Wei, Jimei Kuang. Leveraging high-frequency ultrasound for clinical practice: a core component in building a non-invasive skin imaging center[J/OL]. Chinese Journal of Medical Ultrasound (Electronic Edition), 2025, 22(11): 1029-1035.

表1 皮肤无创影像中心常用设备功能及典型应用场景
设备类型 核心用途 优势 劣势 典型应用场景
单反数码相机 大体摄影 便携、高清 需人工导出照片,与患者信息匹配后上传 皮损摄影、头皮摄影等
皮肤镜(毛发镜) 表皮至真皮浅层结构观察;
色素性疾病鉴别
;毛发/头皮疾病分析
光学成像,速度快;20~200倍高清放大;实时成像(<5 min) 穿透深度浅(仅0.2 mm);依赖医师经验解读;无法量化弹性模量 痣/黑色素瘤初筛;斑秃/雄秃诊断;头癣虫卵检测等
伍德灯 色素异常性疾病鉴别
;感染性疾病辅助诊断
操作简便,无需专业培训,基层医疗机构可开展;低成本,设备价格显著低于其他皮肤影像设备 结果非特异性;深度限制;对环境干扰敏感;无法定量分析 白癜风诊疗全流程;头癣/花斑癣等感染性疾病快速鉴别等
皮肤超声 表皮-真皮-皮下组织分层成像;肿瘤深度评估;医学美容评估 穿透深度最大;支持多种成像技术;无辐射、可重复检测 无法显示色彩/纹理细节;操作者需专业培训 皮下肿物定位;炎性病变严重程度的评估;瘢痕增生风险预测;填充剂迁移追踪等
多光谱皮肤分析仪 多维度皮肤问题分析;色素/皱纹/毛孔量化;美容方案个性化推荐 多光谱成像(RGB/UV/偏振光);人工智能大数据比对;10 s快速生成报告 仅限面部分析;设备成本高;环境光线影响精度 医美患者面诊;黄褐斑/痘印等医美治疗跟踪;皮肤老化综合评估等
皮肤CT 活体细胞级成像;三维皮肤结构重建;炎症/肿瘤细胞动态监测 分辨率达1 μm(接近病理切片);无创替代部分活检;可观察黑色素细胞分布 扫描范围小(约8 mm×8 mm);检查耗时(>15 min);设备维护成本高 疑似基底细胞癌排查;白癜风进展评估;银屑病微观炎症观察等
图1 皮肤无创影像中心主要影像检查技术
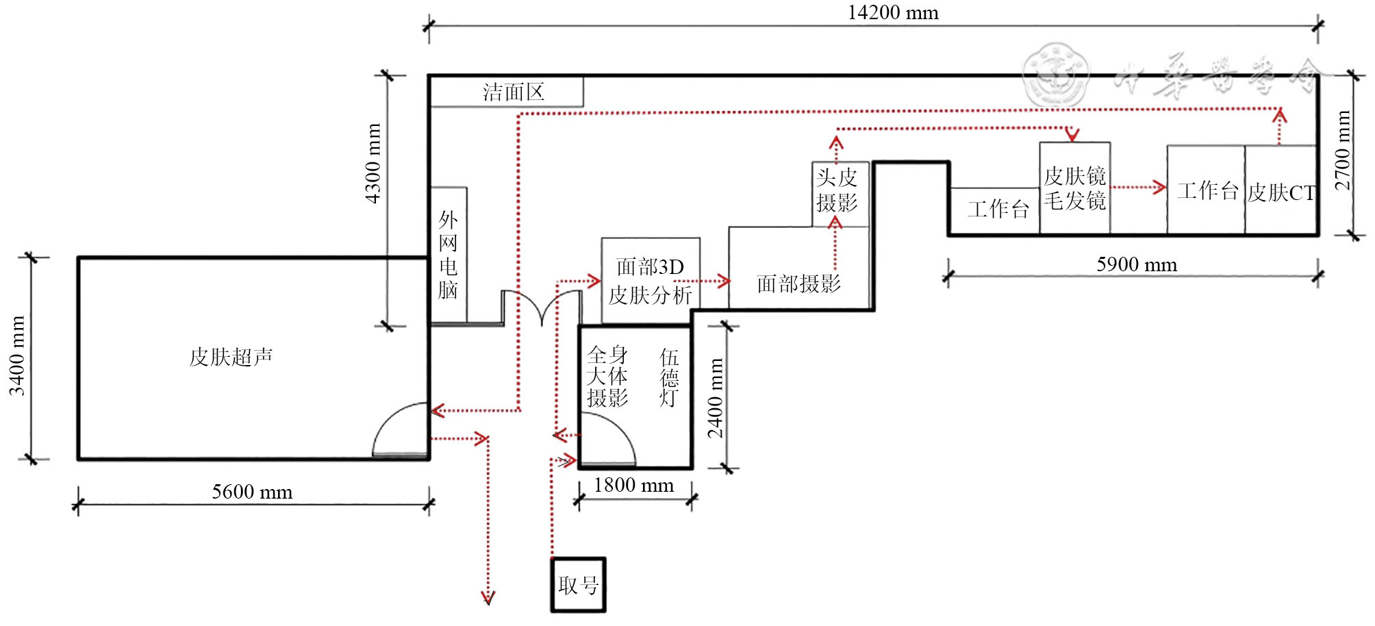
图2 皮肤无创影像中心平面图及患者动线示意图
图3 皮肤超声结构化报告模板
1
Liu ZF, Chew CY, Honavar S, et al. Seeing beyond skin deep: High-resolution ultrasound in dermatology-A comprehensive review and future prospects[J]. J Eur Acad Dermatol Venereol, 2024, 38(7): 1305-1313.
2
Argalia G, Reginelli A, Molinelli E, et al. High-frequency and ultra-high-frequency ultrasound in dermatologic diseases and aesthetic medicine[J]. Medicina (Kaunas), 2025, 61(2): 220.
3
Bezugly A, Rembielak A. The use of high frequency skin ultrasound in non-melanoma skin cancer[J]. J Contemp Brachytherapy, 2021, 13(4): 483-491.
4
Płocka M, Czajkowski R. High-frequency ultrasound in the diagnosis and treatment of skin neoplasms[J]. Postepy Dermatol Alergol, 2023, 40(2): 204-207.
5
Catalano O, Roldán FA, Varelli C, et al. Skin cancer: findings and role of high-resolution ultrasound[J]. J Ultrasound, 2019, 22(4): 423-431.
6
Boostani M, Bozsányi S, Suppa M, et al. Novel imaging techniques for tumor margin detection in basal cell carcinoma: a systematic scoping review of FDA and EMA-approved imaging modalities[J]. Int J Dermatol, 2025, 64(2): 287-301.
7
Wortsman X. Key points to select a device for dermatologic ultrasound[J]. J Ultrasound Med, 2023, 42(6): 1367-1369.
8
Zarchi K, Yazdanyar N, Yazdanyar S, et al. Pain and inflammation in hidradenitis suppurativa correspond to morphological changes identified by high-frequency ultrasound[J]. J Eur Acad Dermatol Venereol, 2015, 29(3): 527-532.
9
Dini V, Janowska A, Faita F, et al. Ultra-high-frequency ultrasound monitoring of plaque psoriasis during ixekizumab treatment[J]. Skin Res Technol, 2021, 27(2): 277-282.
10
Michelucci A, Dini V, Salvia G, et al. Assessment and monitoring of nail psoriasis with ultra-high frequency ultrasound: preliminary results[J]. Diagnostics(Basel), 2023, 13(16): 2716.
11
白璐, 石雪芹, 杨丽, 等. 20 MHz高频超声在瘢痕评估中的应用[J]. 中华整形外科杂志, 2023, 39(6): 583-589.
12
Chen C, Liu S, Zhao C, et al. Activity of keloids evaluated by multimodal photoacoustic/ultrasonic imaging system[J]. Photoacoustics, 2021, 24: 100302.
13
Villegas Fernández C, Burón Álvarez I, Fernández-Tresguerres Centeno A, et al. [Cutaneous ultrasound and dermal fillers] [J]. Actas Dermosifiliogr, 2015, 106(Suppl 1): 87-95.
14
Li P, Lu H. Innovative approach to minimize serious complications in cosmetic dermal filling[J]. J Vis Exp, 2024, (213). doi:10.3791/66540.
15
Jaguś D, Skrzypek E, Migda B, et al. Usefulness of Doppler sonography in aesthetic medicine[J]. J Ultrason, 2021, 20(83): e268-e272.
16
Samadi A, Ahmadian Yazdi H, Kafi H, et al. Efficacy evaluation of a hyaluronic acid dermal filler containing mannitol: clinical and aesthetic assessment using high-frequency ultrasound[J]. Dermatol Surg, 2025, 51(1): 46-51.
17
Crisan D, Wortsman X, Alfageme F, et al. Ultrasonography in dermatologic surgery: revealing the unseen for improved surgical planning[J]. J Dtsch Dermatol Ges, 2022, 20(7): 913-926.
18
蒋凌帆, 李承旭, 崔勇.皮肤影像技术体系建设: 提升皮肤病诊疗水平的重要支撑力量[J].中国医刊, 2022, 57(9): 929-931, 922.
19
徐峰.皮肤影像新技术助力皮肤科学发展[J].皮肤科学通报, 2024, 41(2): I0001-I0002.
20
国家远程医疗与互联网医学中心皮肤科专委会,中国医学装备人工智能联盟皮肤科专业委员会,中国中西医结合学会皮肤性病学专业委员会皮肤影像学组,等.中国远程皮肤病学质量控制专家共识[J/CD].中国医学前沿杂志(电子版), 2019, 11(8): 5-11.
21
李小红, 邹先彪.皮肤科摄影专家共识[J].中国麻风皮肤病杂志, 2016, 32(10): 577-580.
22
孟如松, 徐峰.皮肤镜图像质量控制标准专家共识(2023)[J].中国皮肤性病学杂志, 2024, 38(4): 355-368.
23
陈光, 陈柳青, 崔勇, 等.皮肤超声质量控制专家共识(2023)[J].中国皮肤性病学杂志, 2024, 38(1): 1-9.
24
刘华绪. 反射式共聚焦显微镜皮肤检测质控专家共识(2023)[J].中国皮肤性病学杂志, 2024, 38(2): 119-127.
25
沈长兵, 薛珂, 于瑞星, 等.推动我国皮肤影像研究、教育与应用的系统平台: 中国皮肤影像资源库项目(CSID)[J].中国医学文摘(皮肤科学), 2018, 35(2):125-130.
26
崔勇, 于建斌, 邹先彪, 等. 亟需加快建设中国人群皮肤影像资源库:高质量皮肤影像是构建智能辅助诊断系统的基础[J]. 中华皮肤科杂志, 2017, 50(7): 530-533.
27
Zhu AQ, Chen XW, Xu WC, et al. Value of diagnosis and management for skin lesions by integration of high-frequency ultrasound in daily practices: a prospective study[J]. Dermatology, 2025, 241(4): 336-343.
28
徐辉雄, 郭乐杭, 王撬. 皮肤超声诊断学[M].上海: 上海科学技术出版社, 2020.
29
中华医学会超声医学分会浅表器官及血管学组, 中国中西医结合学会皮肤性病专业委员会, 上海超声诊疗工程技术研究中心, 等. 皮肤疾病超声检查指南(2022版) [J]. 中华超声影像学杂志, 2022, 31(7): 553-578.
30
刘皓璇, 杨乐妍, 郭乐杭, 等. 2024年皮肤超声的最新研究进展 [J/OL]. 中华医学超声杂志(电子版), 2024, 21(12): 1142-1145.
No related articles found!
阅读次数
全文


摘要


AI


AI小编
你好!我是《中华医学电子期刊资源库》AI小编,有什么可以帮您的吗?